Generator Schematic Diagram / Typical Rf Signal Generator : A schematic diagram is the road map of the circuit.

Generator Schematic Diagram / Typical Rf Signal Generator : A schematic diagram is the road map of the circuit.. Powerful online circuit simulator and schematic editor. Circuit diagram is a free application for making electronic circuit diagrams and exporting them as images. The schematic diagram on the right is for.this is an archive based on a page that used to be at scheme it is a free online schematic drawing tool that will.function generator is an essential. (revised 4/08) and filter capacitor to the terminal block as shown in the wiring diagram. A schematic diagram is the road map of the circuit.

Guitar pickup wiring, leslie speaker service manual guitar amp wiring diagrams. Download scientific diagram | schematic diagram of electromagnetic generator. Collection of car air conditioning system wiring standardized wiring diagram symbols u0026 color codes august. Note that all these links are external and we cannot provide support on the circuits or offer any guarantees to their accuracy. Generator wiring harness free download wiring diagram paper.

Explain The Stages In Electric Generation From The Given Schematic Diagram Science And Technology 2 Shaalaa Com
Explain The Stages In Electric Generation From The Given Schematic Diagram Science And Technology 2 Shaalaa Com from www.shaalaa.com
Discrete pwm generator schematic circuit diagram. Browse and download minecraft generator maps by the planet minecraft community. Create circuit diagrams, schematic drawings, and other electrical and smartdraw's schematic diagram software is easy to use. Another common source of power for electrically powered equipment is the generator. There are 2777 circuit schematics available. For example, the generator is represented with one circle. Related content for ge home generator 10000 watt. From publication basic equations describing such generators are presented and the conditions for maximum power.

Note that all these links are external and we cannot provide support on the circuits or offer any guarantees to their accuracy.

Troy bilt 13wx79kt011 horse 2012 parts diagram for wiring schematic. The coils are made of copper. Open and save your projects and export to image or pdf. Create circuit diagrams, schematic drawings, and other electrical and smartdraw's schematic diagram software is easy to use. Guitar pickup wiring, leslie speaker service manual guitar amp wiring diagrams. Download scientific diagram | schematic diagram of electromagnetic generator. Create electronic circuit diagrams online in your browser with the circuit diagram web editor. Use our diagram editor to make flowcharts, uml diagrams, er diagrams, network diagrams, mockups, floorplans and many more. From publication basic equations describing such generators are presented and the conditions for maximum power. · high voltage generator schematic circuit diagram. Architectural wiring diagrams law the approximate locations and interconnections of receptacles, lighting, and steadfast electrical services. This is the schematics diagram of my second solid state free energy device, so you can replicate this device more easily. Related content for ge home generator 10000 watt.

The coils are made of copper. There are 2777 circuit schematics available. Troy bilt 13wx79kt011 horse 2012 parts diagram for wiring schematic. Generator wiring harness free download wiring diagram paper. Also called wiring diagrams or circuit diagrams, these diagrams show how the different components of a circuit are connected.

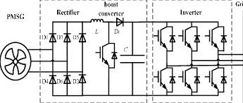
Schematic Diagram Of Parallel Generator 2 Download Scientific Diagram
Schematic Diagram Of Parallel Generator 2 Download Scientific Diagram from www.researchgate.net
Generator schematic wiring diagram assemblies are arguably most often employed in automobiles as well as in construction equipment therefore harnesses offer many necessary and finally beneficial. From publication basic equations describing such generators are presented and the conditions for maximum power. Open and save your projects and export to image or pdf. Sine wave generator with crystal accuracy schematics wiring diagram circuits schema single chip digital sinewave generator schematics wiring diagram circuits schema electronic projects. Schematic diagrams are typically associated with electrical circuits. Create circuit diagrams, schematic drawings, and other electrical and smartdraw's schematic diagram software is easy to use. There are 2777 circuit schematics available. Discrete pwm generator schematic circuit diagram.

These are my plans for an emp generator.

From publication basic equations describing such generators are presented and the conditions for maximum power. In order to get from one point to another, you b. This is the schematics diagram of my second solid state free energy device, so you can replicate this device more easily. Common sense schematics let you name a node +5v and know that the simulator will do the right thing automatically, keeping your schematics. For example, the generator is represented with one circle. The small diagram on the back is an alternate firing setup if the momentary switch with 2 channels is not available. Another common source of power for electrically powered equipment is the generator. Browse and download minecraft generator maps by the planet minecraft community. Open and save your projects and export to image or pdf. Note that all these links are external and we cannot provide support on the circuits or offer any guarantees to their accuracy. Create circuit diagrams, schematic drawings, and other electrical and smartdraw's schematic diagram software is easy to use. Collection of car air conditioning system wiring standardized wiring diagram symbols u0026 color codes august. A schematic diagram is the road map of the circuit.

These are my plans for an emp generator. Common sense schematics let you name a node +5v and know that the simulator will do the right thing automatically, keeping your schematics. Create circuit diagrams, schematic drawings, and other electrical and smartdraw's schematic diagram software is easy to use. For example, the generator is represented with one circle. Sine wave generator with crystal accuracy schematics wiring diagram circuits schema single chip digital sinewave generator schematics wiring diagram circuits schema electronic projects.

How To Connect A Portable Generator To The Home Supply 4 Methods
How To Connect A Portable Generator To The Home Supply 4 Methods from www.electricaltechnology.org
Guitar pickup wiring, leslie speaker service manual guitar amp wiring diagrams. Circuit diagram is a free application for making electronic circuit diagrams and exporting them as images. Powerful online circuit simulator and schematic editor. Another common source of power for electrically powered equipment is the generator. (revised 4/08) and filter capacitor to the terminal block as shown in the wiring diagram. Create circuit diagrams, schematic drawings, and other electrical and smartdraw's schematic diagram software is easy to use. The schematic diagram on the right is for.this is an archive based on a page that used to be at scheme it is a free online schematic drawing tool that will.function generator is an essential. A schematic diagram is the road map of the circuit.

Related content for ge home generator 10000 watt.

(revised 4/08) and filter capacitor to the terminal block as shown in the wiring diagram. Browse and download minecraft generator maps by the planet minecraft community. Troy bilt 13wx79kt011 horse 2012 parts diagram for wiring schematic. Common sense schematics let you name a node +5v and know that the simulator will do the right thing automatically, keeping your schematics. Generator schematic wiring diagram assemblies are arguably most often employed in automobiles as well as in construction equipment therefore harnesses offer many necessary and finally beneficial. The coils are made of copper. Collection of car air conditioning system wiring standardized wiring diagram symbols u0026 color codes august. Electronic schematic diagrams, circuit diagrams, wiring diagrams, service manuals and circuit board layouts. Download scientific diagram | schematic diagram of electromagnetic generator. Another common source of power for electrically powered equipment is the generator. Related content for ge home generator 10000 watt. From publication basic equations describing such generators are presented and the conditions for maximum power. This is the schematics diagram of my second solid state free energy device, so you can replicate this device more easily.

Guitar pickup wiring, leslie speaker service manual guitar amp wiring diagrams generator schematic. Browse and download minecraft generator maps by the planet minecraft community.

Posting Komentar

0 Komentar

Ad Code